Батут квадратный большой

Артикул: 19385
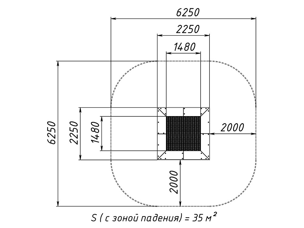
Информация о товаре
  • Длина 2250 мм
  • Ширина 2250 мм
  • Высота с подземной частью 430 мм
  • Зона безопасности 6250 х 6250 мм
  • Возраст 6+
  • Вес 453 кг
3D модели для проектировщиков

Батут квадратный большой

Батут является одним из самых весёлых элементов на детской площадке. Позволяет детям выплеснуть свою энергию, а также получить море положительных эмоций. Снабжён защитным бортом из резины, снижающим вероятность получения травм.

Материал:

  • Прыжковое полотно из пластиковых деталей;

  • Защитный резиновый борт.

Представленные на рендерах цвета являются базовыми для изделия.