Качалка на пружине «Вертолет»

Доступные опции
Цвет:
Выбрать
Артикул: 19105
Информация о товаре
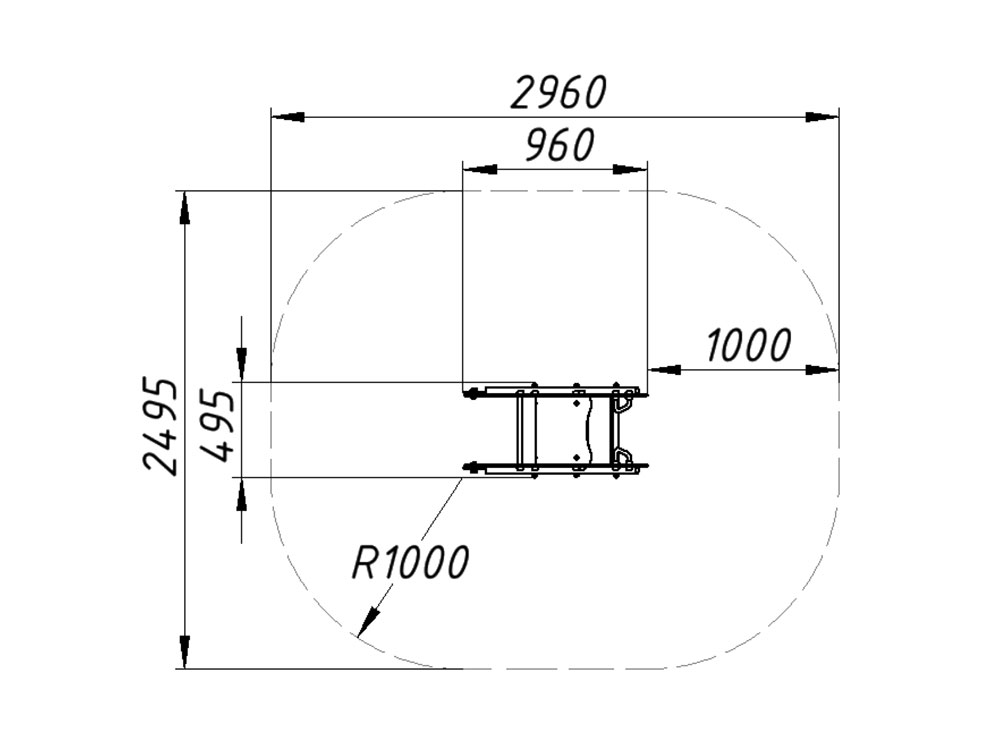
  • Длина 960 мм
  • Ширина 495 мм
  • Высота 890 мм
  • Зона безопасности 2960 х 2495 мм
  • Высота падения 540 мм
  • Тип крепления бетонирование
  • Возраст 3+
  • Вес 49 кг
3D модели для проектировщиков

Качалка на пружине «Вертолет»

Конструкция представляет собой пластиковое сиденье в форме вертолета в ярком красном цвете, установленное на большой металлической пружине. Качалка - это укрепление вестибулярного аппарата и развитие координации, физическая нагрузка для полноценного развития мышечного корсета ребёнка, помощь в адаптации малыша в обществе сверстников.

Материалы:

  • Пружина: сталь, порошковая окраска стандартного цвета RAL 7004, тип поверхности «гладкий матовый»;

  • Корпус, сиденье, подножка: HPL-пластик 13 мм;

  • Полозья, ручки: нержавеющая сталь.

Представленные на рендерах цвета являются базовыми для изделия.